日韩在线观看网站-日韩在线观看视频网站-日韩在线观看视频免费-日韩在线观看视频黄-日韩在线观看免费完整版视频-日韩在线观看免费

  • 服務熱線:021-80370923

電動調節蝶閥

電動調節蝶閥圖片

電動調節蝶閥

  • 閥門型號:D971X,D941X,D973H,D943H
  • 通徑規格:DN50~DN1200
  • 結構形式:中線型,三偏心(對夾式,法蘭)
  • 閥體材質:鑄鋼WCB、不銹鋼304、不銹鋼316
  • 公稱壓力:PN10、PN16、PN25、PN40
  • 適用溫度:-30℃~450℃
  • 應用范圍:蒸汽、水、氣體、油品及高溫或含雜質工況
  • 產品特點:操作方便,省力靈巧,可實現對介質參數的調節控制
電動調節蝶閥概述:
 
電動調節蝶閥又稱比例型電動蝶閥,即閥的開度與控*流體成比例,或者叫百分比,是由智能型電動執行器及蝶閥閥體組成,根據輸入輸出4-20mA信號控*,主要適用于各種工業自動化管道流量、壓力、溫度等進行調節。電動調節蝶閥連接方式主要有法蘭式和對夾式,閥體流通能力大,對常溫、干凈介質,可選用閥板加軟密封(橡膠圈、四氟圈)來減少泄漏(可達零泄露),高溫高壓工況可選用三偏心硬密封閥體。
電動調節蝶閥圖片
電動法蘭調節蝶閥                          電動對夾式調節蝶閥
電動調節蝶閥特點:
 
1、設計新穎、合理、結構獨特,重量輕,啟閉迅速。
2、調節型電動蝶閥操力矩小,操作方便,省力靈巧。
3、可采用不同密封座,滿足低、中、高不同壓力,以及不同介質溫度或腐蝕性介質等。
4、執行器配有保護裝置有雙重限位、過熱保護、過載保護。
5、智能數控,內置模塊采用**計算機單片及智能控*軟件直接接收計算機或工業儀表等設備輸出的標準信號,實現對閥門開度的智能控*和*確定位。
電動調節蝶閥標準規范:
 
設計標準【GB/T12238-1989 JB/T8692-1998】
法蘭連接尺寸【GB/T9115.1-2000】
結構長度【h:GB/T12221-1989】
壓力試驗【GB/T13927-1992;JB/T9092-1999】
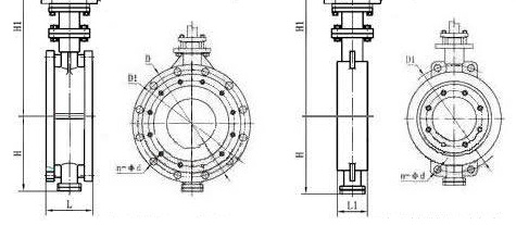
電動調節蝶閥結構
   電動法蘭調節蝶閥結構圖           電動對夾式調節蝶閥結構圖
電動調節蝶閥技術參數:

公稱通徑 DN50~DN1200(mm)
公稱壓力 PN0.6、1.6、2.5、4.0MPa
連接形式 對夾式、法蘭式
操作方式 電動控*(電源驅動)
密封形式 金屬硬密封,軟密封(可達零泄露)
電源電壓 AC220V、AC380V(其他定*DC24等)50/60Hz 
信號反饋 有源信號、S無源信號
手動功能 可根據需要裝配手動開閥、關閥功能
適用溫度
-30℃~450℃
動作時間 15秒/30秒/60秒
可調范圍 50:1
應用場所 蒸汽、水、氣體、油品及高溫或含雜質工況
控*形式 智能調節式(輸入輸出4-20mA信號控*)

相關產品: 氣動調節蝶閥    電動風量調節蝶閥    電動開關蝶閥
上一篇:電動中線蝶閥 下一篇:電動硬密封蝶閥