日韩在线观看网站-日韩在线观看视频网站-日韩在线观看视频免费-日韩在线观看视频黄-日韩在线观看免费完整版视频-日韩在线观看免费

  • 服務熱線:021-80370923

電動三偏心蝶閥

電動三偏心蝶閥圖片

電動三偏心蝶閥

  • 閥門型號:D943H,D973H
  • 通徑規格:DN50~DN1200
  • 結構形式:三偏心硬密封(對夾式,法蘭)
  • 閥體材質:鑄鋼WCB、不銹鋼304、不銹鋼316
  • 公稱壓力:PN10、PN16、PN25、PN40
  • 適用溫度:-40℃~450℃
  • 應用范圍:燃氣、水、氣體、油品及腐蝕性介質
  • 產品特點:壽命長,啟閉無摩擦,使用范圍廣,可用于高溫高壓
電動三偏心蝶閥概述:
 
電動三偏心蝶閥采用三維偏心結構,具有適用性強扭矩力小摩擦少密封性能好等優點,主要由法蘭或對夾式三偏心蝶閥與電動執行器連接組成。電動三偏心蝶閥開啟時,碟板即刻分離閥座密封面,減少了與密封面相互之間的摩擦和干涉,大大提升了蝶閥的使用壽命。且電動三偏心蝶閥碟板及閥座密封面均采用不銹鋼材質*成,從而使蝶閥的防腐蝕性、耐溫性、耐壓性以及耐磨性得到了可靠的保證,屬于高性能節能型電動蝶閥。
電動三偏心蝶閥圖片
電動法蘭三偏心蝶閥                      電動對夾式三偏心蝶閥
電動三偏心蝶閥應用:
 
電動三偏心蝶閥具有金屬密封和彈性密封的雙重優點,無論在低溫和高溫情況下,都具有優良的密封性能,并且在一些高溫、高壓、強腐蝕等領域也被廣泛應用,主要用于石油、化工、電力、冶金、鋼鐵、造紙、醫藥、食品、紡織、輕工等行業。
 
電動三偏心蝶閥性能特點:
 
1.有電動對夾式三偏心蝶閥和電動法蘭三偏心蝶閥,滿足不同連接方式的管道中。
2.密封性能可靠,使用壽命長,采用三維偏心結構,蝶閥啟閉時與閥體之間存在很小的摩擦。
3.采用不同閥體材質和密封圈,可適用不同溫度、壓力等*,耐腐蝕等各種介質;
4.三偏心結構,具有越關越緊的密封功能,操作靈活,不受介質壓力的高、低影響。
5.電動三偏心蝶閥可調節蝶板密封圈向閥座靠近,恢復原有密封性能,大大提高了使用壽命。


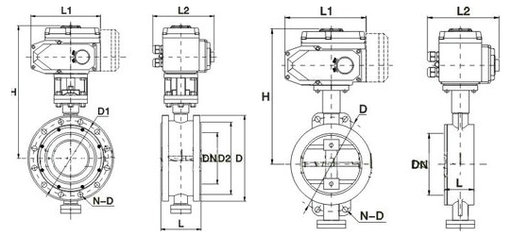
電動三偏心蝶閥外形結構:
電動三偏心蝶閥結構圖
電動法蘭三偏心蝶閥結構圖                                   電動對夾式三偏心蝶閥結構圖
電動三偏心蝶閥參數指導:

公稱通徑 DN50~DN1200(mm)
公稱壓力 PN1.0、1.6、2.5、6.4MPa
連接形式 對夾式、法蘭式
密封形式 三偏心金屬硬密封
電源電壓 AC220V、AC380V(其他定*DC24等)
動作范圍 0~90°
泄露量 按GB/T4213-92,為Kv值的10-4
閥體材質 碳鋼、不銹鋼304、316
閥板材質 碳鋼、不銹鋼304、316
適用范圍 、蒸汽、環保處理、腐蝕性介質等
適用溫度 碳鋼:-29℃~400℃ 不銹鋼:-40℃~450℃
執行機構 可選防爆型,可配手動裝置
控*方式 普通開關型(開關兩位控*)、智能調節(4~20mA模擬量信號控*)
 
電動三偏心蝶閥結構原理:
電動偏心蝶閥原理圖
電動三偏心蝶閥原理結構圖
 
1.偏離管道中 2.偏離密封面中心 3.傾斜的錐形
在雙偏心蝶閥的基礎上,將閥座密封面的中心與閥門中心線形成一個角偏心(角度β),使得蝶板在開啟過程中,蝶板的密封面在開啟瞬間立即脫離閥座密封面,而在關閉瞬間才會接觸并壓緊閥座封面。這一獨特的偏心組合,充分利用凸輪效應,徹底消除了閥門啟閉時蝶閥密封副兩密封面之間的機械磨損和擦傷,去除了磨損和泄露的可能性。變擠壓密封為扭矩密封,通過調整外加驅動力矩,實現其密封比壓的調整,使三偏心結構密封蝶閥的密封性能和使壽命得到很大提高。

相關產品: 氣動三偏心蝶閥     電動三偏心硬密封蝶閥     電動三偏心調節蝶閥 
上一篇:電動硬密封蝶閥 下一篇:電動粉體蝶閥