日韩在线观看网站-日韩在线观看视频网站-日韩在线观看视频免费-日韩在线观看视频黄-日韩在线观看免费完整版视频-日韩在线观看免费

  • 服務熱線:021-80370923

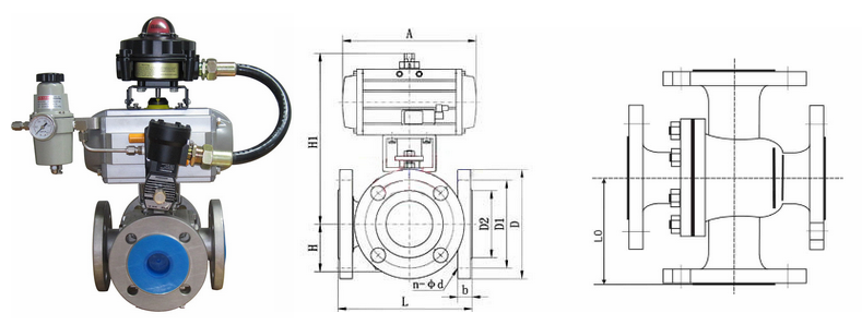
氣動四通球閥

氣動四通球閥圖片

氣動四通球閥

  • 閥門型號:Q646F,Q646H
  • 通徑規格:DN50~DN500
  • 結構形式:四通鑄造閥體
  • 閥體材質:鑄鋼(WCB)、不銹鋼(304、316、316L)
  • 公稱壓力:PN10、PN16、PN25、PN40
  • 適用溫度:-40℃~450℃
  • 應用范圍:液體、氣體、油品、漿料及含固體顆粒介質
  • 產品特點:可同時切換兩種介質的流向,實現一閥多用
氣動四通球閥概述:
 
氣動四通球閥可同時對兩種介質的流向進行切換,替代了以前四個閥門的復雜操作,
解除了所占空間大、成本高、操作煩瑣等問題,實現一閥多用的效果。
氣動四通球閥為X形垂直通道,它的特點是球體的兩條通道為X形布置,
四個通道口徑均布于球體赤道圓周截面上,當球體沿順時針旋轉90時,
能使相對的兩個通道實現兩兩互通。
 
氣動四通球閥結構圖

氣動四通球閥特點:
 
氣動四通球閥可實現正反供水切換,每轉90度,供水方式切換一次,操作方便。
在電站系統中稱為雙向供水轉閥,在石化系統中也稱空氣換向切換閥,
適用于液體、氣體、粉塵、漿料及含固體顆粒介質的循環系統,如:電站機組冷卻器正反向循環供水系統。

公稱通徑 DN15~DN200(mm)
公稱壓力 PN1.6、2.5、4.0、6.4MPa
連接形式 法蘭式
結構形式 四通鑄造閥
驅動方式 氣源控*(壓縮空氣4-7bar)
使用溫度 -40℃~450℃
控*形式 開關型(開關兩位控*)、調節型(4~20mA信號)
閥體材質 碳鋼WCB、不銹鋼304、316、316L
密封材料 PTFE(聚四氟乙烯)、PPL(對位聚苯)、金屬密封(硬質合金)

氣動四通球閥換向原理:
 
四通球閥換向原理圖
 
“LL'’型四通球閥只需操作板手或執行器將球體轉動90°,
同時對兩種介質的流向進行切換,即方便而迅速,實現一閥多用的效果。

氣動四通球閥可選功能:


驅動方式 壓縮空氣(可帶手輪)
供氣壓力 0.4-0.7mpa
氣源接口 G1/4"、G1/8"、G3/8"、G1/2"
環境溫度 -30~+70℃
作用形式
單作用(彈簧復位):氣關式(B)--失氣時閥位開(FO);氣開式(K)--失氣時閥位關(FC)
雙作用(通氣開關):氣關式(B)--失氣時閥不變(FL);氣開式(K)--失氣時閥不變(FL)
可選附件 定位器、電磁閥、空氣過濾減壓器、保位閥、行程開關、閥位傳送器、手輪機構等
上一篇:氣動對夾式球閥 下一篇:氣動保溫球閥