日韩在线观看网站-日韩在线观看视频网站-日韩在线观看视频免费-日韩在线观看视频黄-日韩在线观看免费完整版视频-日韩在线观看免费

  • 服務熱線:021-80370923

氣動保溫球閥

氣動保溫球閥圖片

氣動保溫球閥

  • 閥門型號:BQ641、BQ671
  • 通徑規格:DN15~DN200mm
  • 結構形式:法蘭分體式、對夾整體式
  • 閥體材質:鑄鋼(WCB)、不銹鋼(304、316、316L)
  • 公稱壓力:PN1.0、1.6、2.5MPa
  • 適用溫度:-17℃-450℃
  • 應用范圍:容易凝固的高粘度介質
  • 產品特點:具有良好的保溫保冷特性
氣動保溫球閥概述:
 
氣動保溫球閥特別適合用于容易凝固、及高粘度的液體介質,
具有良好的保溫保冷特性,防止物料結晶堵塞管道,
尤其是一些不經常開關,物料流動性不是很好的場合。
夾套保溫氣動球閥的通徑與管徑一致,同時又能有效降低管路中介質熱量損失。 
氣動保溫球閥種類
氣動保溫球閥特點:
 
氣動保溫球閥根據使用工況不同,夾套可以是冷凝水,
用于因為過熱而析出晶體,也可以用熱水、蒸汽和導熱油做伴熱用,
其具有良好的保溫保冷特性,常用于輸送常溫下會凝固的高粘度介質。

氣動保溫球閥參數:


公稱通徑 DN15~DN200(mm)
公稱壓力 1.0、1.6、2.5MPa
連接形式 對夾、法蘭
結構形式 法蘭分體式、對夾整體式
驅動形式 壓縮空氣4-7bar
動作范圍 0~90°
閥芯結構 O型閥芯
閥體材質 鑄鋼(WCB)、不銹鋼(304、316、316L)
密封材料 PTFE(聚四氟乙烯)、PPL(對位聚苯)、金屬密封(硬質合金)
使用介質 易凝固的高粘度介質

氣動保溫球閥應用:
 
氣動保溫球閥用于需要保持一定溫度,或者介質冷卻容易堵塞閥門,伴熱保溫。
比如液流的保溫要求在135-145度,低于指標液流會凍結,
如果閥門不用蒸汽夾套的話,會造成閥門無法操作,
可用于石油、化工、冶金、*藥、食品等各類系統中。
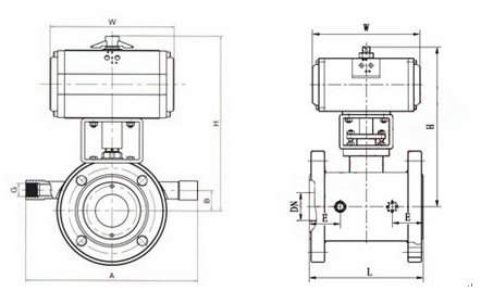
氣動保溫球閥結構圖
氣動保溫球閥可選功能:

驅動方法 壓縮空氣(可帶手輪)
供氣壓力 0.4-0.7mpa
氣源接口 G1/4"、G1/8"、G3/8"、G1/2"
環境溫度 -30~+70℃
作用形式
單作用(彈簧復位):氣關式(B)--失氣時閥位開(FO);氣開式(K)--失氣時閥位關(FC)
雙作用(通氣開關):氣關式(B)--失氣時閥不變(FL);氣開式(K)--失氣時閥不變(FL)
可選附件 定位器、電磁閥、空氣過濾減壓器、保位閥、行程開關、閥位傳送器、手輪機構等

相關產品: 電動保溫球閥
上一篇:氣動四通球閥 下一篇:氣動真空球閥