日韩在线观看网站-日韩在线观看视频网站-日韩在线观看视频免费-日韩在线观看视频黄-日韩在线观看免费完整版视频-日韩在线观看免费

  • 服務熱線:021-80370923

電動三通調節閥

電動三通調節閥圖片

電動三通調節閥

  • 閥門型號:ZDLQ、ZDLX
  • 通徑規格:合流閥:DN25~300mm 分流閥:DN80~300mm
  • 結構形式:三通鑄造閥
  • 閥體材質:鑄鋼(WCB)、不銹鋼(304、316、316L)
  • 公稱壓力:PN16、PN40、PN64
  • 適用溫度:-17℃-450℃(具體見產品詳情)
  • 應用范圍:液體、氣體、蒸汽、化工、石油、冶金、電站
  • 產品特點:一閥多用,動作靈敏、流量大、調節精度高
電子式電動三通調節閥概述:
 
ZDLQ/X電子式電動三通調節閥通常分為合流和分流兩種形式,合流閥為兩進一出,其作用是將兩種流體匯合成第三種流體,分流閥為一進兩出,將一種流體分成兩路流體,從而達到流體混合升溫或降溫,或流體不等量分流,滿足各種不同工況的使用要求。但合流、分流閥只能對應選用,當公稱通徑和壓差較小時合流閥可用于分流場合,當公稱通徑DN≥80mm和壓差較大的分流場合,只能使用分流閥。

電動三調節閥結構圖
電子式電動三通調節閥特點:
 
電動三通調節閥常用于熱交換器的兩種介質調節,及簡單的配比調節,可一臺代替兩臺單座、雙座調節閥使用,還可節省去安裝管道、節省投資,占據空間小。采用3810系列或PSL系列直行程電動執行機構和三通調節閥體組成,以電源為動力,接受統一的標準信號0~10mA DC或4-20mA Dc驅使閥門開度與此操作信號相對應,達到對壓力、流量、液位、溫度等工參數的調節。

電子式電動三通調節閥參數:


閥體
形      式 三通鑄造閥
公稱通徑 25. 32. 40. 50. 65. 80. 100. 125. 150. 200. 250. 300mm
公稱壓力 PN16、40、64bar
法蘭標準 JB/T79.1-94、79.2-94等
材      料 鑄鋼( ZG230450)、不銹鋼(ZGICr18Ni9Ti、ZGICr18Ni12M02Ti)等
上  閥  蓋 標準型:-17-230℃  散熱型:230-450℃  低溫型:-60--196℃  波紋管密封型:-40-350℃
閥蓋形式 螺栓壓緊式
填      料 V型聚四氟乙烯填料、含浸聚四氰乙烯石棉填料、石棉紡織填料、石墨填料

閥內組件
閥芯型式 雙導向雙座套筒型閥芯
流量特性 等百分比特性和線性特性
材      料 不銹鋼、不銹鋼堆司太萊合金、鈦和耐腐蝕臺金等。

電動三通調節閥原理:【 查看       電動三通調節閥工作原理動態圖 

分流閥

分流閥
合流閥

合流閥

電動三調節閥閥體為三通結構,即一進兩出(分流型),兩進一出(合流型),其中三通合流調節閥用于將兩種流體混合成第三種流體,或兩種不同溫度的同種流體,混合成同一溫度流體。而三通分流閥則是將一種流體分成兩路流體。

電動三通調節閥執行機構:


主要技術參數 電源電壓:220W50Hz輸入信號:4-20mA或1-5V.DC輸出信號:4-20mA.DC
防護等*:相當IP55 隔爆標志:Exd|| BT4 手操功能:手柄
環境溫度:-25 +70℃ 環境濕度:≤95%

額定流量系數Kv、額定行程、配用執行機構型號、允許壓差
公稱通徑DN(mm)   25 32 40 50 65 80 100 125 150 200 250 300
額定流量系數Kv 合流 8.5 12 21 34 53 85 135 210 340 535 800 1360
分流 - - - - - 85 135 210 340 535 800 1360
行程L (mm)   16 25 40 60 100
允許壓差( bar)   DK2-310 DK2-310 DK2-410 DK2-410 DK2-510
配用執行機構型號   32 22 22 14 13.8 9.4 6.1 5.1 3.6 2 1.9 1.3

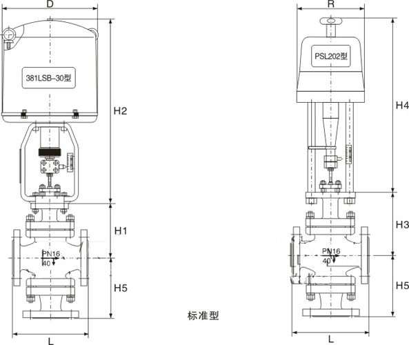
電子式電動三通調節閥尺寸:

電動三調節閥尺寸圖
 
外形尺寸及重量     單位:mm
公稱通徑 25 32 40 50 65 80 100 125 150 200
L   185 220 222 250 275 300 350 410 450 550
D   255 255 255 255 255 255 255 310 310 310
R   177 177 177 177 177 177 177 226 226 226
H1   155 175 180 200 235 250 260 330 350 420
H2   373 495 495 495 700 700 700 725 725 725
H3   181 195 200 220 262 277 287 357 377 447
H4   459 459 459 459 520 520 520 570 570 570
H5   135 145 160 170 190 200 220 280 320 380
重量(KG) 13 17 19 20 38 50 60 84 87 110

相關產品: 氣動薄膜三通調節閥