日韩在线观看网站-日韩在线观看视频网站-日韩在线观看视频免费-日韩在线观看视频黄-日韩在线观看免费完整版视频-日韩在线观看免费

  • 服務熱線:021-80370923

電動三通球閥

電動三通球閥圖片

電動三通球閥

  • 閥門型號:Q944F/H,Q945F/H,Q914F/H,Q915F/H
  • 通徑規格:法蘭DN15~DN200,螺紋DN15-DN50
  • 結構形式:三通L型、三通T型
  • 閥體材質:鑄鋼WCB、不銹鋼304、不銹鋼316
  • 公稱壓力:PN16、PN25、PN40、PN64
  • 適用溫度:-40℃~450℃
  • 應用范圍:水,氣體,蒸汽,燃氣,油品、腐蝕性介質等
  • 產品特點:一閥多用,既能換向也能分配、合流、分流,可用范圍廣

電動三通球閥概述:

電動三通球閥是一種可對三條管路介質進行換向、分流或合流的三通切換型調節球閥,

一般有法蘭或內螺紋連接方式,根據不同流向切換要求球芯可設計為L型和T型結構,

從而實現對管道中流體各種不同組合的控*形式。

電動三通球閥不僅能對兩條相互垂直的通道進行切換或截斷,也能關閉任一通道,

使另外兩個通道連通,靈活控*管路中介質的合流或分流。選用不同功能的執行裝置,

可滿足不同工況的使用要求,廣泛用于電力、環保、供水、蒸汽、機械設備

等工業系統中作兩位切斷或比例式調節使用。

電動三通球閥圖片
電動內螺紋三通球閥                                   電動法蘭三通球閥
電動三通球閥優點:
 
1,電動三通球閥兼備開關切斷和智能比例式調節功能,不僅可截斷流體,
也可以對壓力,流量及溫度等參數進行調整。
2,可用功能多,既能分配也能換向,適用于液休、氣體、蒸汽等介質的配比調節與控*。
3,可用范圍廣,一閥多用,任一通口可用作入口而無泄漏,三通既可*成L型通口,也可*成T型通口。
4,可分為電動法蘭三通球閥和電動內螺紋三通球閥,滿足不同工況里管道的連接。
 
電動三通球閥技術參數:

公稱通徑 DN15~DN200(mm)
公稱壓力 PN1.6、2.5、4.0、6.4MPa
連接形式 法蘭式、螺紋連接
閥芯形式 O型球型閥芯
驅動方式 電動控*(可帶手動手輪)
結構形式 三通L型、三通T型
電源電壓 AC220V、AC380V(其他定*DC24等)
閥體材質 碳鋼WCB、不銹鋼304、316、316L
球芯材質 碳鋼WCB、不銹鋼304、316、316L
可調范圍 15-60秒(可定*)
適用溫度 -40℃~450℃
執行機構
開關型(開關兩位模式)、智能調節(4~20mA模擬量信號控*)、可選防爆系列型

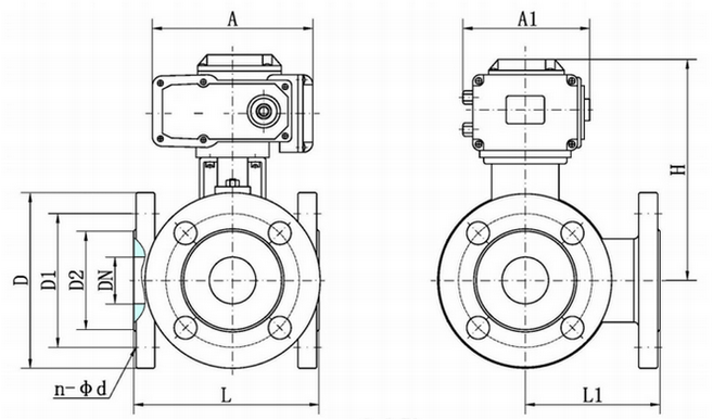
電動法蘭三通球閥
電動法蘭三通球閥結構圖  
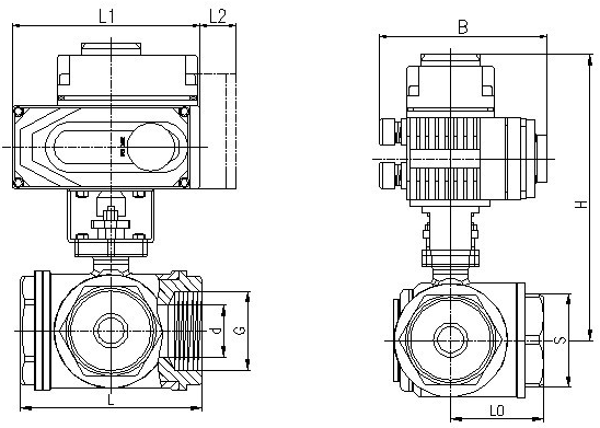
電動三通球閥(電動三通螺紋球閥)結構
電動內螺紋三通球閥結構圖
 
電動三通球閥流向原理說明:

電動三通球閥根據流向切換要求一般分為L型結構和T型結構,介質流通方向可切換為多種形式。
L型電動三通球閥適用于介質流向的切換,能使相互垂直的兩個通道相互連通,
T型電動三通球閥適用于介質的分流、合流或流向切換。三通球閥原理圖
T型三通球閥可以使三個通道互相連通或使其中兩個通道連通,起分流或合流作用,
電動三通球閥一般采用兩個閥座結構,亦可根據用戶要求采用四閥座結構。

相關產品:   電動四通球閥      電動Y型三通球閥
上一篇:電動高壓球閥 下一篇:電動固定式球閥